平成17年10月28日
四国電力株式会社西条発電所1号機における配管肉厚の検査結果について
当社では、火力発電所の配管肉厚について、経済産業省へ報告した検査計画(平成16年9月13日および10月12日付:同日公表済み)に基づき、順次検査を実施しております。
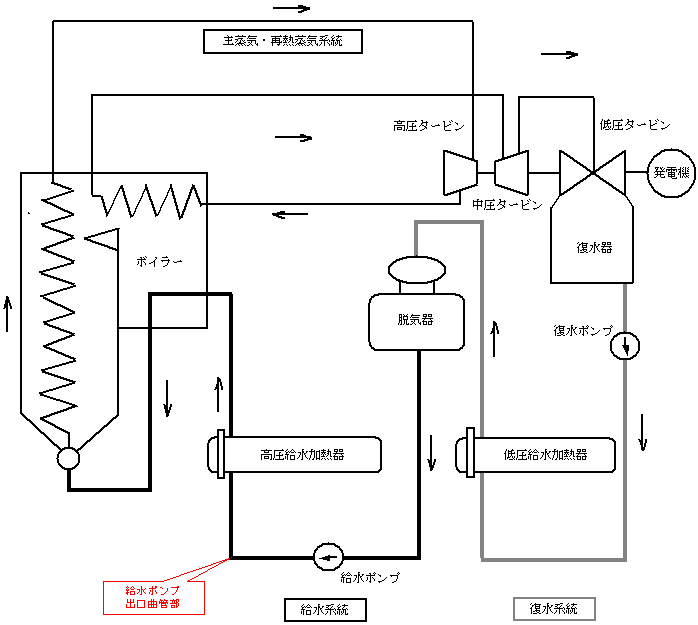
西条発電所1号機においては、定期事業者検査期間(平成17年9月18日〜12月13日)を利用して、検査対象部位すべての検査を9月18日〜10月27日の間で実施した結果、給水ポンプ出口配管1個所で計測値が必要肉厚を下回っていることが確認されました。
当該部位については、現在実施している定期事業者検査期間中に取替を行う予定です。
西条発電所1号機 配管肉厚検査結果 減肉個所 外径 肉厚 必要肉厚 検査結果最小値 (単位) (mm) (mm) (mm) (mm) 給水ポンプC号機
出口曲管部216.3 25.0 21.07 18.6
以 上
(別紙1)
西条発電所1号機 系統図概要

(注)給水ポンプ・・・・・ボイラへ水を送るポンプ
(別紙2)
当社の火力発電所における配管肉厚の検査結果

(注)阿南1・2号機,坂出1号機は長期計画停止中
戻る
Copyright(C)YONDEN
Shikoku Electric Power Co.,Inc. / Kagawa,Japan
mail to : postmaster@yonden.co.jp